製品を探す
サイト内検索
他社型式・Quickコード検索
製品を探す
Quickコードカタログの
4ケタコード

絞り込み検索

カテゴリで絞り込む

光電センサ
変位センサ
IIoT
LED照明
画像センサ
非接触温度計・サーモグラフィ
その他製品

オールインワン画像センサ 簡単色面積タイプ
CVSE1-RAシリーズ

誰でも使える簡単操作の
色判別画像センサ

  • 30秒 3ステップティーチング
  • ばたつくラインの色判別・広視野なアプリケーションに最適
  • 検出色の分解能:15,000色

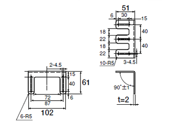
外形寸法図


本 体
CVSE1-RA

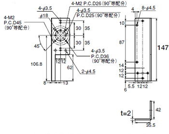
照明用取付金具(オプション)
CVS-OPDB-2000
CVS-OP-1000L

CVS-OPDB-3040

閲覧履歴

ログインするとご使用いただけます。

こちらのシリーズもおすすめです