絞り込み検索
カテゴリで絞り込む
- 光電センサ
-
- 変位センサ
-
- IIoT
-
- LED照明
-
- 画像センサ
-
- 非接触温度計・サーモグラフィ
-
- その他製品
-
<生産終了機種> >>代替機種
サンプリング周期100μs、
リニアリティ±0.1%を達成
- アプリケーションにあわせて7種のセンサヘッドをラインナップ
- センサヘッドは、防水性IP67
- 高速・高精度測定を可能にした2つのテクノロジー
再校正受付終了日について

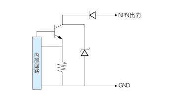
入出力回路図
NPNモデルのバンク入力
ホールド入力/ゼロリセット入力

NPNモデルの制御出力
アラーム出力
アナログ出力(A/B)
外形寸法図
単位:mm
センサヘッド
CD4-30(J)、CD4-85(J)、CD4-85(J)-3R
CD4-L25(J)
CD4-350(J)、CD4-350(J)-3R
アンプユニット
CD4A-N 、 CD4A-LN
オプション
アンプ・ヘッド間延長ケーブル
閲覧履歴
こちらのシリーズもおすすめです