入出力回路図
NPN出力設定時
PNP出力設定時
※1出力タイプのBGS-HLには、制御出力2/外部入力2は装備されません。
コネクタ式
- 接続について
- ①から⑤は、コネクタのピンNo.に相当します。
- ■ 外部入力1や制御出力2/外部入力2をご使用にならない時はリード線を切断し個別に絶縁テープを巻くなどして、他の端子と接続しないようにしてください。
- 注意事項
- ■ 電源にスイッチングレギュレーターをご使用の場合は必ずフレームグランド端子を接地してください。
- ■ センサの配線と高圧線・動力線との同一配管を行われるとノイズにより誤動作、破損の原因となる場合がありますので、別配線としてください。
- ■ 電源投入時(約2秒)の過渡状態でのご使用は避けてください。
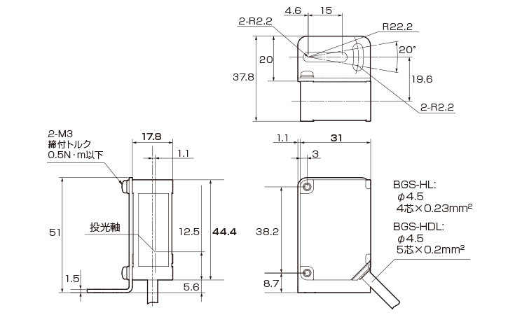
外形寸法図
単位:mm
本 体
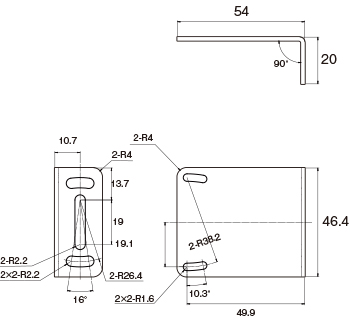
取付金具BEF-OD1-B装着時
取付金具
BEF-OD1-B(付属)
BEF-OD1-A(オプション
コネクタのピン配置
BGS-HL05TC/-HL25TC2
M8コネクタ
BGS-HDL05TM12/-HDL25TM122
M12コネクタ
コネクタケーブル
M84CN-2S、M84CN-5S、M84CN-10S
M84CN-2L、M84CN-5L、M84CN-10L
YF2A15-020VB5XLEAX
