製品を探す
サイト内検索
他社型式・Quickコード検索
製品を探す
Quickコードカタログの
4ケタコード

絞り込み検索

カテゴリで絞り込む

光電センサ
変位センサ
IIoT
LED照明
画像センサ
非接触温度計・サーモグラフィ
その他製品

センシングバー照明
OPB-Sシリーズ

<生産終了機種>

センサ内蔵による輝度モニタとフィードバックによる
長期安定性を実現!

  • 「FALUX sensing」搭載により、輝度のモニタリングとフィードバック制御が可能
  • 出荷時輝度と基準輝度を内部に記憶し、複数照明を同一輝度に容易に調整
  • 好評のOPBシリーズの明るさ変動補正や優れた光学特性を継承

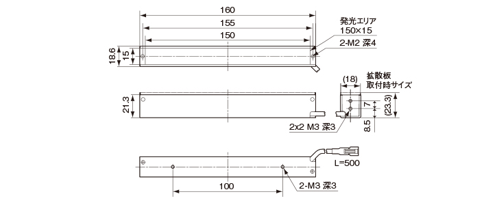
外形寸法図

単位:mm

OPB-S5015W
OPB-S10015W

OPB-S15015W
OPB-S20015W
OPB-S25015W
OPB-S30015W

閲覧履歴

ログインするとご使用いただけます。

こちらのシリーズもおすすめです