製品を探す
サイト内検索
他社型式・Quickコード検索
製品を探す
Quickコードカタログの
4ケタコード

絞り込み検索

カテゴリで絞り込む

光電センサ
変位センサ
IIoT
LED照明
画像センサ
非接触温度計・サーモグラフィ
その他製品

マルチカメラ画像センサ<パターンマッチング>
MVS-PM-Rシリーズ

<生産終了機種>

画像処理エンジンを
カメラユニットに搭載!

外形寸法図

カメラユニット
MVS-PM-R,MVS-EM-R,MVS-OCR-R(共通)

カメラユニット用取付金具
タッチパネル液晶内蔵コントローラ
MVS-DN-E

パネルマウントアダプタ・カメラケーブル取付図
レンズ(本体)
FASV-03514V
焦点距離:3.5mm
FASV-0813V
焦点距離:8mm

FASV-1214V
焦点距離:12mm
FASV-1614V
焦点距離:16mm

FASV-2514V
焦点距離:25mm
FASV-5018V
焦点距離:50mm

接写リング
偏光フィルタ
FASV-PL255-RS
FASV-PL270-RS
FASV-PL305-RS
形 式 FASV-
PL255-RS
FASV-
PL270-RS
FASV-
PL305-RS
(A) M25.5 P0.5 M27 P0.5 M30.5 P0.5

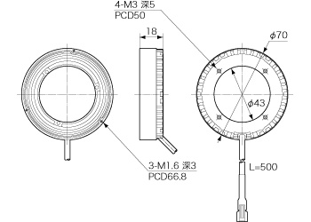
LEDリング照明(白色)

OPR-S55-28W
OPR-S70-43W

拡散板(透過率:80%)
DF80-OPR-S55-28
DF80-OPR-S70-43
t=2.0
拡散板(透過率:60%)
DF-OPR-S55-28
DF-OPR-S70-43
t=2.0
偏光板(透明カバー付)
PL-OPR-S55-28
PL-OPR-S70-43
t=2.0(0.2+1.8)

偏光板について
・偏光板には外周部にフラットな辺があります。
 偏光方向はこの辺と平行となります。


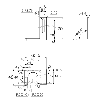
リング照明用取付金具
BKT-MVS-OPR
BKTS-MVS-OPR

バー照明取付金具 BKT-MVS-OPDB
バー照明取付部
カメラ取付部

閲覧履歴

ログインするとご使用いただけます。

こちらのシリーズもおすすめです