製品を探す
サイト内検索
他社型式・Quickコード検索
製品を探す
Quickコードカタログの
4ケタコード

絞り込み検索

カテゴリで絞り込む

光電センサ
変位センサ
IIoT
LED照明
画像センサ
非接触温度計・サーモグラフィ
その他製品

印字検査用画像センサ
GVS-OCRシリーズ

カンタン操作を追求した
印字検査カメラ

  • WEBサーバ搭載で設定ソフト不要
  • 使いやすく見やすいモニタ
  • 暗号化された日付・時刻の認識も可能
GVS-OCRシリーズ

入出力回路図

カメラ:GVS-OCR-S, GVS-OCR-W, GVS-OCR-N
NPN設定時
PNP設定時


モニタ:GVS-MN
NPN設定時
PNP設定時


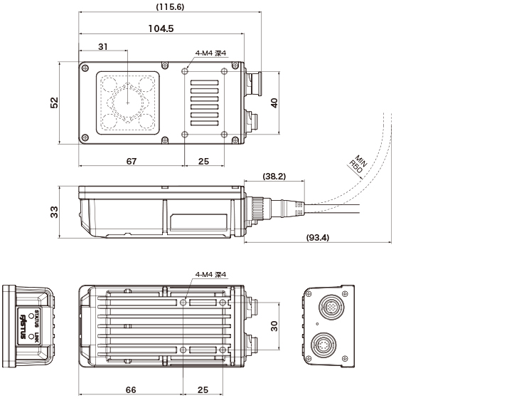
外形寸法図

本体
【カメラ】
GVS-OCR-S
GVS-OCR-W
GVS-OCR-N
【モニタ】
GVS-MN

アタッチメント
【壁面取付アタッチメント】(モニタ装着時)
GVS-ATFM(モニタGVS-MNに付属)
【DIN取付アタッチメント】(モニタ装着時)
GVS-ATDN
【パネル取付アタッチメント】(モニタ装着時)
GVS-ATPM

閲覧履歴

ログインするとご使用いただけます。

こちらのシリーズもおすすめです