製品を探す
サイト内検索
他社型式・Quickコード検索
製品を探す
Quickコードカタログの
4ケタコード

絞り込み検索

カテゴリで絞り込む

光電センサ
変位センサ
IIoT
LED照明
画像センサ
非接触温度計・サーモグラフィ
その他製品

オールインワン画像センサ 色面積タイプ
CVS1-Rシリーズ

<生産終了機種>  >>代替機種

センサ感覚で使えるローコスト色面積画像センサ

  • 広視野で15,000色の高精度判別
  • バタつくラインでも安定検出
  • 高速応答0.6~22ms

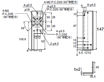
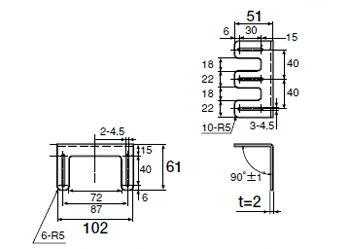
外形寸法図

本 体
CVS1-R
リモートモニタ
CVS-M1-R


照明用取付金具(オプション)
CVS-OPDB-2000
CVS-OP-1000L

CVS-OPDB-3040

閲覧履歴

ログインするとご使用いただけます。

こちらのシリーズもおすすめです