製品を探す
サイト内検索
他社型式・Quickコード検索
製品を探す
Quickコードカタログの
4ケタコード

絞り込み検索

カテゴリで絞り込む

光電センサ
変位センサ
IIoT
LED照明
画像センサ
非接触温度計・サーモグラフィ
その他製品

測定用エリアセンサ
MLG-2 Proシリーズ

sick_001

ワークの長さ、幅、または高さを
高精度に測定できるエリアセンサ

  • 透明ワークも測定可能
  • 高精度測定を実現
  • 耐環境性の高い設計

接続図


  • ※IO-Linkタイプの機器構成の場合、⑥⑦⑧は使用しません。
  • 接続について
  • ■ ①から⑧は、コネクタのピンNo.に相当します。
  • 注意事項
  • ■ 制御出力はトランジスタ電圧出力型のため、2台以上接続する場合には注意が必要です。
    ご使用される場合は、当社までお問い合わせください。

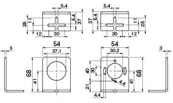
外形寸法図

単位:mm


本 体

コネクタケーブル
YF2A15-□□□UB5M2A15
DOL-1208-G□□MF

YF2A15-□□□UB5XLEAX
YF2A15-□□□UB5M2A15

YM2D24-□□□PN1MRJA

分岐コネクタ
SBO-02F12-S□
取付ブラケット
BEF-3SHABPKU□

プロテクティブパイプ
IPG2-□□□□A5P16
プロテクティブパイプ用取付ブラケット
BEF-WK-IPG2

閲覧履歴

ログインするとご使用いただけます。

こちらのシリーズもおすすめです