カテゴリで絞り込む
アンプ内蔵センサ
ファイバアンプ
ファイバユニット
アンプ分離センサ
レーザセンサ
透明体検出センサ
BGSセンサ(距離設定型)
特殊用途センサ
マークセンサ/カラーセンサ
レーザ変位センサ
エッジ測定センサ
形状測定センサ
アンプユニット
PLCユニット
外径測定器
リニヤゲージ
通信ユニット
IO-Link
LED照明
LED照明用電源
オプション/アクセサリ
照明モニタリングセンサ
簡単操作画像センサ
マルチカメラ画像センサ
オールインワン画像センサ
ラベル検査システム
設置型
ポータブル型
赤外線サーモグラフィ
距離センサ
超音波センサ
バーコード・2次元コード
静電容量・近接センサ
IDS産業用カメラ
カタログ
取扱説明書
CAD
該非判定書
テスト機依頼
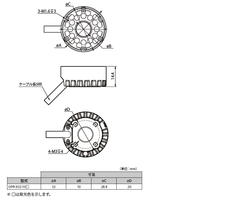
外形寸法図
単位:mm
ログインするとご使用いただけます。