製品を探す
サイト内検索
他社型式・Quickコード検索
製品を探す
Quickコードカタログの
4ケタコード

絞り込み検索

カテゴリで絞り込む

光電センサ
変位センサ
IIoT
LED照明
画像センサ
非接触温度計・サーモグラフィ
その他製品

絞り込み検索

カテゴリで絞り込む

光電センサ
変位センサ
IIoT
LED照明
画像センサ
非接触温度計・サーモグラフィ
その他製品

EtherNet/IP対応通信ユニット
UC1-EP

ネットワークでセンサを管理・制御

  • EtherNet/IPに対応
  • ファイバセンサ・変位センサを混在させて接続可能
  • 省配線・省スペースを実現
  • NEW

    デジタルファイバアンプD4RFシリーズに対応
  1. EtherNet/IP
EtherNet/IP対応通信ユニット UC1-EP

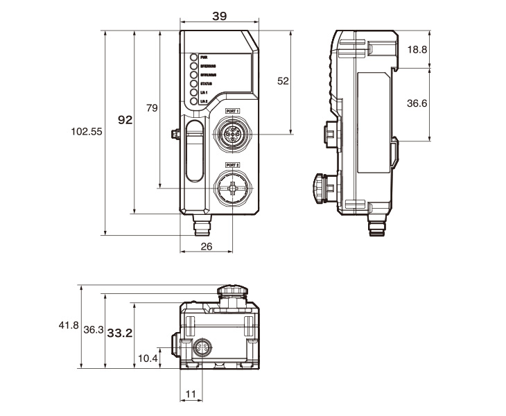
外形寸法図

単位:mm


本 体
外形寸法図
コネクタケーブル(オプション)
M84CN-2S、M84CN-5S、M84CN-10S

閲覧履歴

ログインするとご使用いただけます。

こちらのシリーズもおすすめです

S