カテゴリで絞り込む
拝啓 貴社ますますご清栄のこととお慶び申し上げます。
平素は弊社製品に対し格別のご高配を賜り厚く御礼申し上げます。
表記の件、ご愛顧頂いております表面実装式バックライト照明「OPSMシリーズ(W,G,B,IR850)」について、製品の製造ならびに販売を終了させていただきます。
敬具
─ 記 ─
1.対象機種一覧
表面実装式バックライト照明 OPSM シリーズ(W,G,B,IR850)
※R(赤色)は販売終了対象ではありません。
| 販売終了品 | 推奨代替品 | |||
| 形状 | 照明色 | 型式 | 型式 | |
|---|---|---|---|---|
| 正方形 | 白,青 | OPSM-32X32□-T | → | OPF-S27x27□-DF |
| OPSM-62X62□-T | → | OPF-S63x60□-DF | ||
| OPSM-92X92□-T | → | OPF-S100x100□-DF | ||
| OPSM-122X122□-T | → | OPF-125x125□-DF | ||
| 緑 | OPSM-32X32G-T | → | 推奨代替品なし ※別途お問い合わせ下さい |
|
| OPSM-62X62G -T | ||||
| OPSM-92X92G -T | ||||
| OPSM-122X122G -T | ||||
| 長方形 | 白, 緑,青 | OPSM-62X32■-T | → | 推奨代替品なし ※別途お問い合わせ下さい |
| OPSM-92X32■-T | ||||
| OPSM-92X62■-T | ||||
| OPSM-122X32■-T | ||||
| OPSM-122X62■-T | ||||
| OPSM-122X92■-T | ||||
| OPSM-152X122■-T | ||||
| OPSM-182X122■-T | ||||
| OPSM-212X122■-T | ||||
| 正方形 | 赤外 | OPSM-32X32IR850 | → | OPSM-H25X30IR850 |
| OPSM-62X62IR850 | → | OPSM-H66X60IR850 | ||
| OPSM-92X92IR850 | → | OPSM-H108X114IR850 | ||
| □ = W(白)、B(青) ■=W(白)、G(緑)、B(青) ※OPSMシリーズ(W,G,B,IR850)をベースとした特注サイズも同様に販売終了となります。 |
||||
2.製造終了の理由
3.販売終了に伴う変更内容
推奨代替品との仕様の違いは本資料をご参照ください。
3.販売終了スケジュール
最終受付日:2025年3月28日(金)
【新旧比較】仕様
正方形 白色/青色シリーズ
| 販売終了品 | 推奨代替品 | 販売終了品 | 推奨代替品 | |
|---|---|---|---|---|
| 型式 | OPSM-32X32□-T | OPF-S27x27□-DF | OPSM-62X62□-T | OPF-S63x60□-DF |
| 色温度/波長 | 白:7,000K 青:470nm |
白:6,500K 青:470nm |
白:7,000K 青:470nm |
白:6,500K 青:470nm |
| 消費電力 | 0.4W | 2.2W | 7.2W | 6.7W |
| 発光面サイズ | 32×32mm | 27×27mm | 62×62mm | 63×60mm |
| 標準価格 (税別) |
42,000円 | 36,000円 | 90,000円 | 76,000円 |
| 販売終了品 | 推奨代替品 | 販売終了品 | 推奨代替品 | |
|---|---|---|---|---|
| 型式 | OPSM-92X92□-T | OPF-S100x100□-DF | OPSM-122X122□-T | OPF-125x125□-DF |
| 色温度/波長 | 白:7,000K 青:470nm |
白:6,500K 青:470nm |
白:7,000K 青:470nm |
白:6,500K 青:470nm |
| 消費電力 | 16.2W | 13.0W | 28.8W | 18.0W |
| 発光面サイズ | 92×92mm | 100×100mm | 122×122mm | 125×125mm |
| 標準価格 (税別) |
165,000円 | 136,000円 | 284,000円 | 163,000円 |
| □ = W(白)、B(青) | ||||
IRシリーズ
| 販売終了品 | 推奨代替品 | 販売終了品 | 推奨代替品 | 販売終了品 | 推奨代替品 | |
|---|---|---|---|---|---|---|
| 型式 | OPSM- 32X32IR850 |
OPSM- H25X30IR850 |
OPSM- 62X62IR850 |
OPSM- H66X60IR850 |
OPSM- 92X92IR850 |
OPSM- H108X114 IR850 |
| 波長 | IR850 | IR850 | IR850 | IR850 | IR850 | IR850 |
| 消費電力 | 1.0W | 2.0W | 3.9W | 7.5W | 8.7W | 14.7W |
| 発光面サイズ | 32×32mm | 25×30mm | 62×62mm | 66×60mm | 92×92mm | 108×114mm |
| 標準価格 (税別) |
42,000円 | 59,000円 | 90,000円 | 96,000円 | 165,000円 | 157,000円 |
【新旧比較】明るさ □60mm サイズの比較
【新旧比較】 外形寸法図
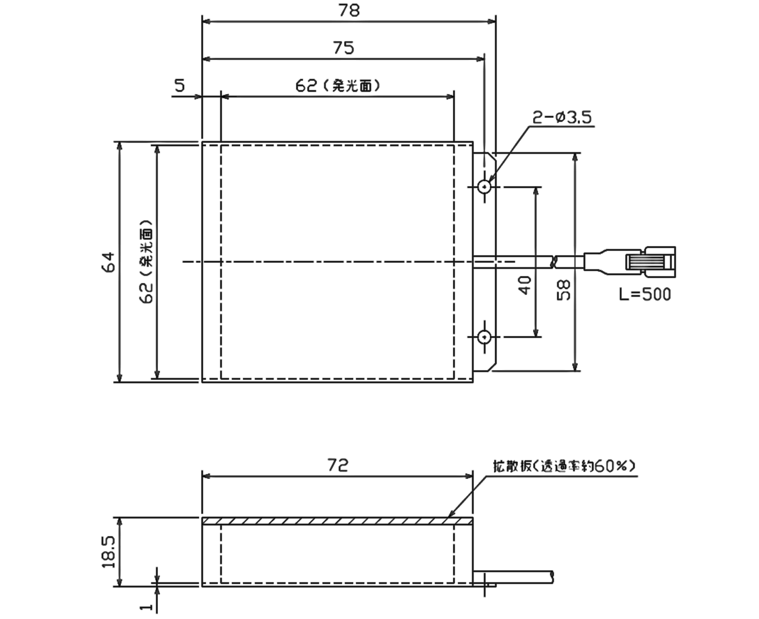
型式: OPSM-32X32
| 販売終了機種 | 推奨代替品 |
|---|---|
OPSM-32X32□-T![]() |
OPF-S27x27□-DF![]() |
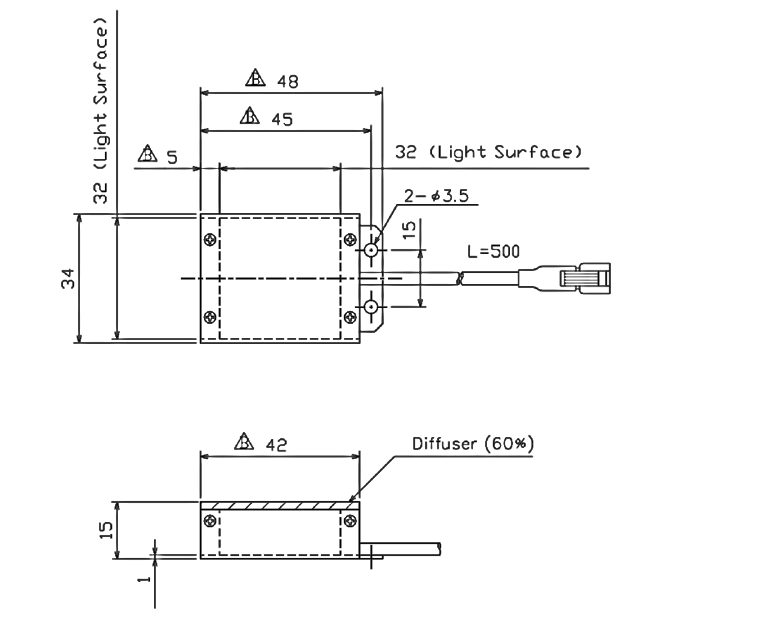
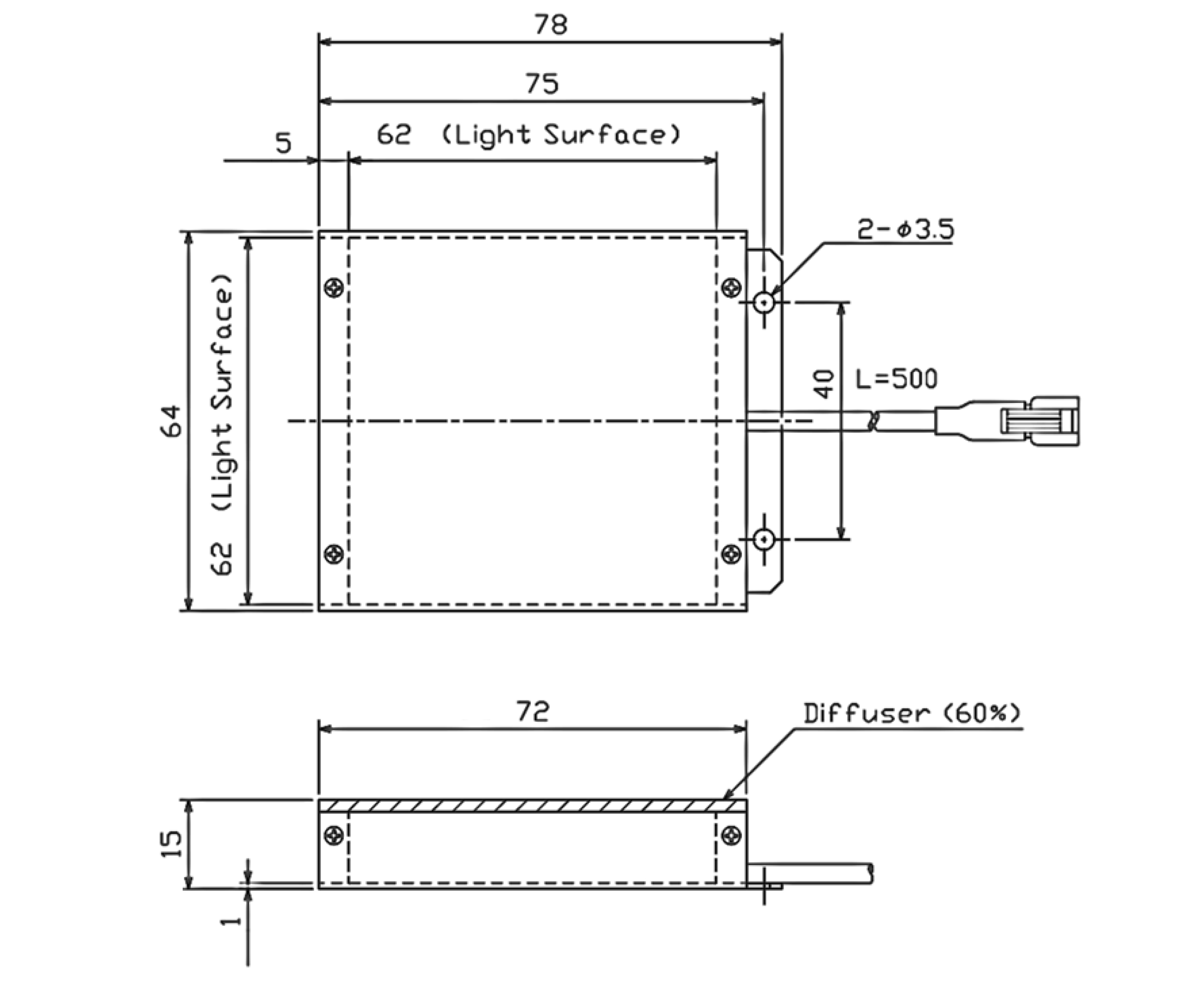
型式: OPSM-62X62
| 販売終了機種 | 推奨代替品 |
|---|---|
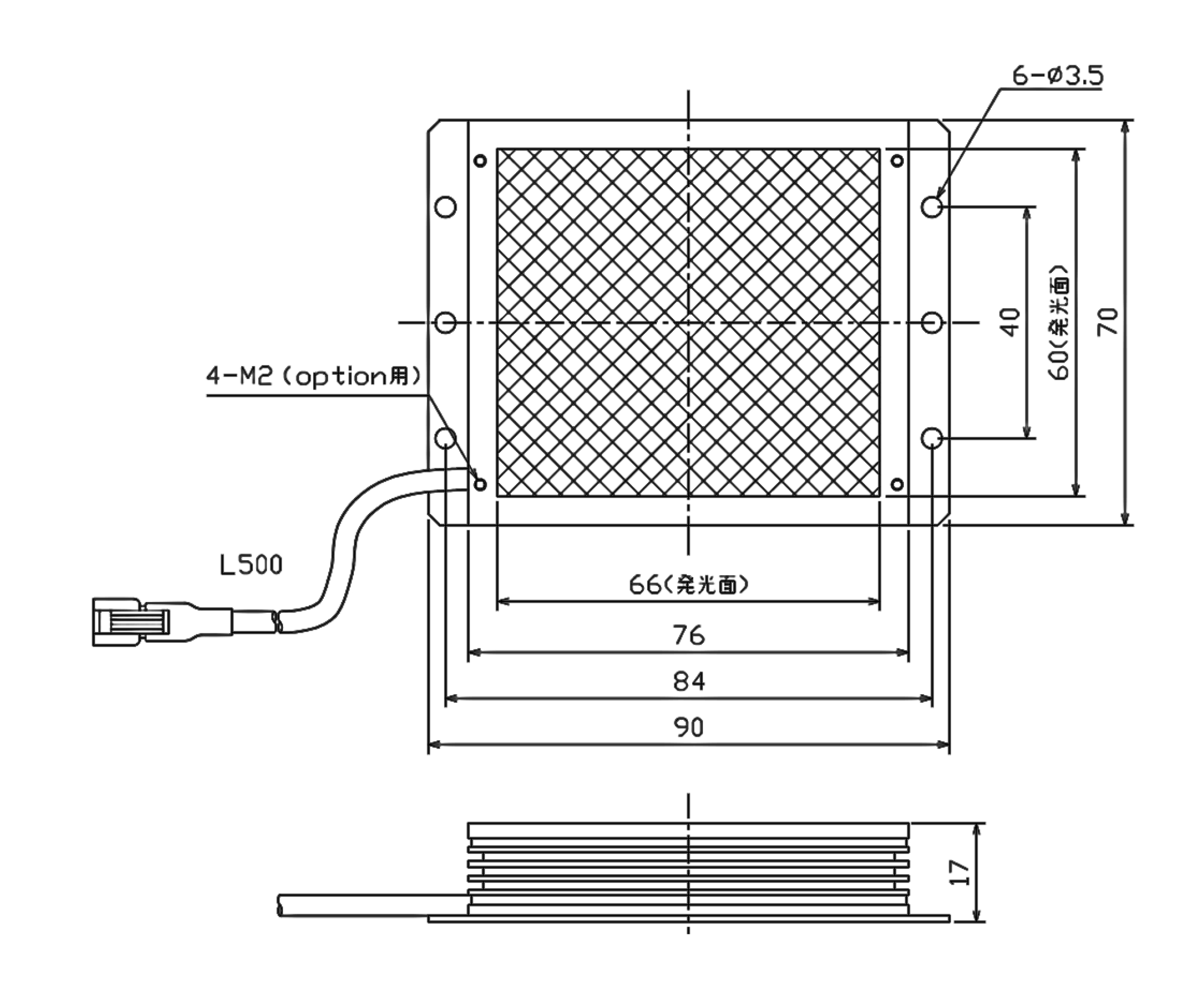
OPSM-62X62□![]() |
OPF-S63x60□-DF![]() |
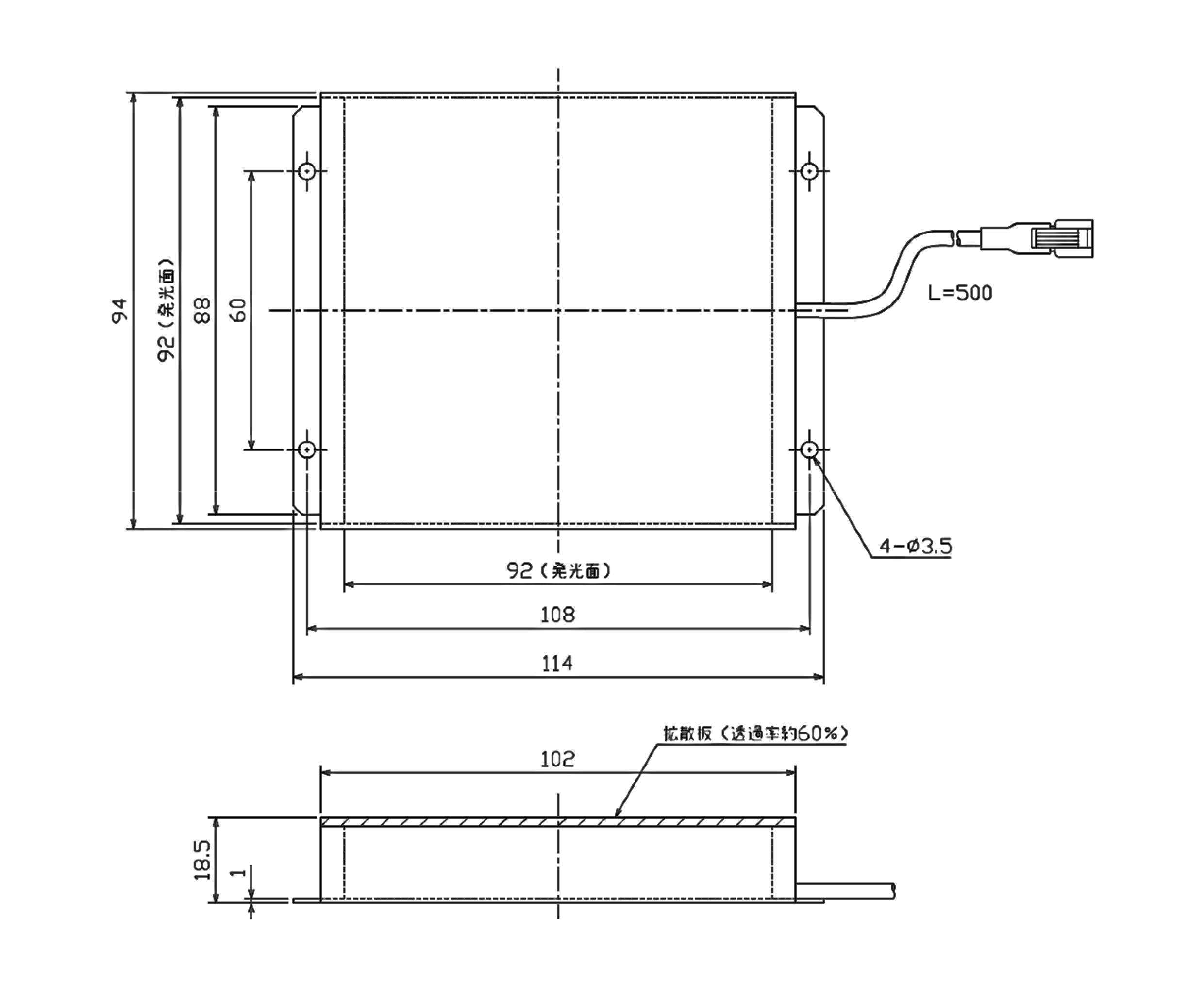
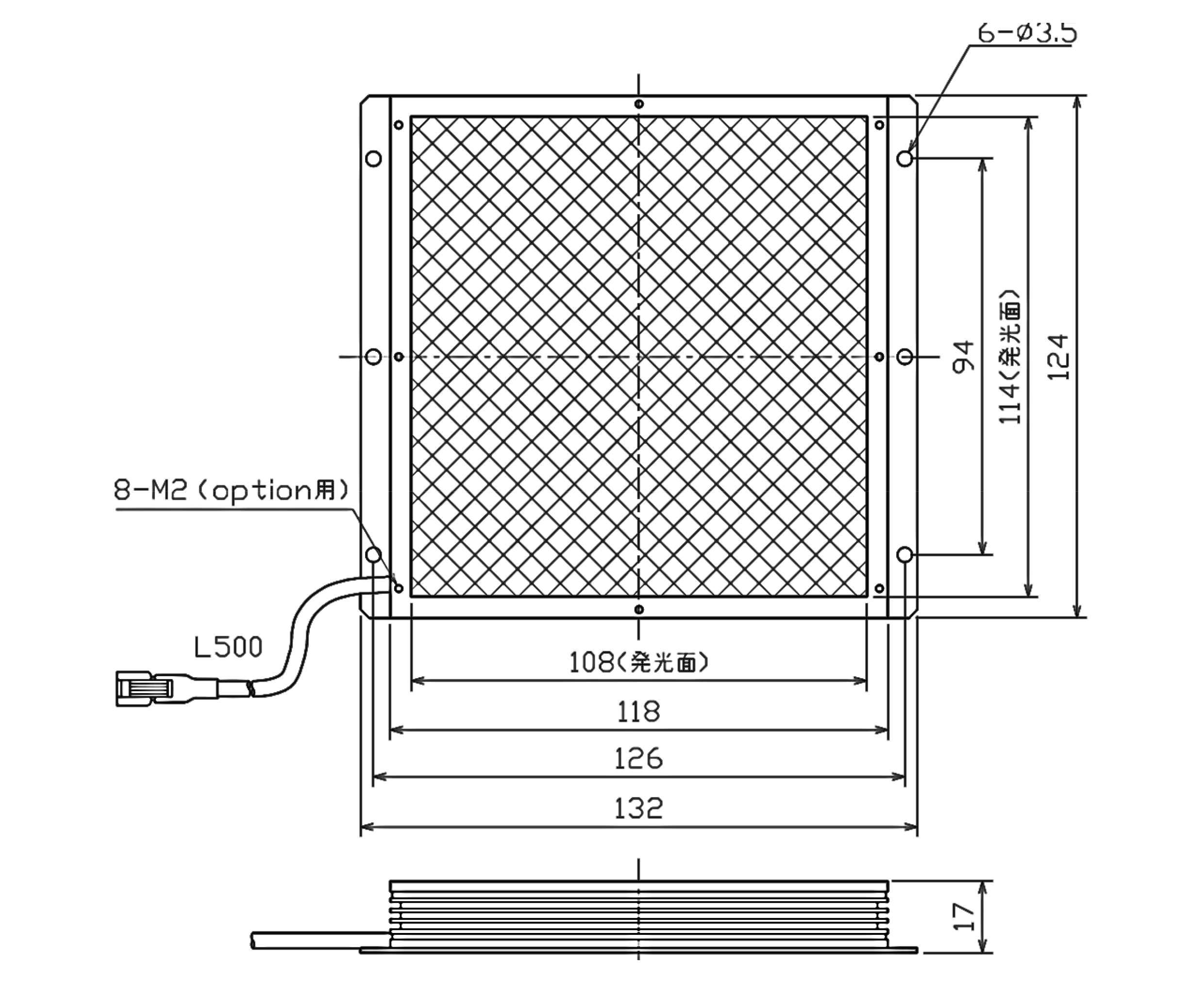
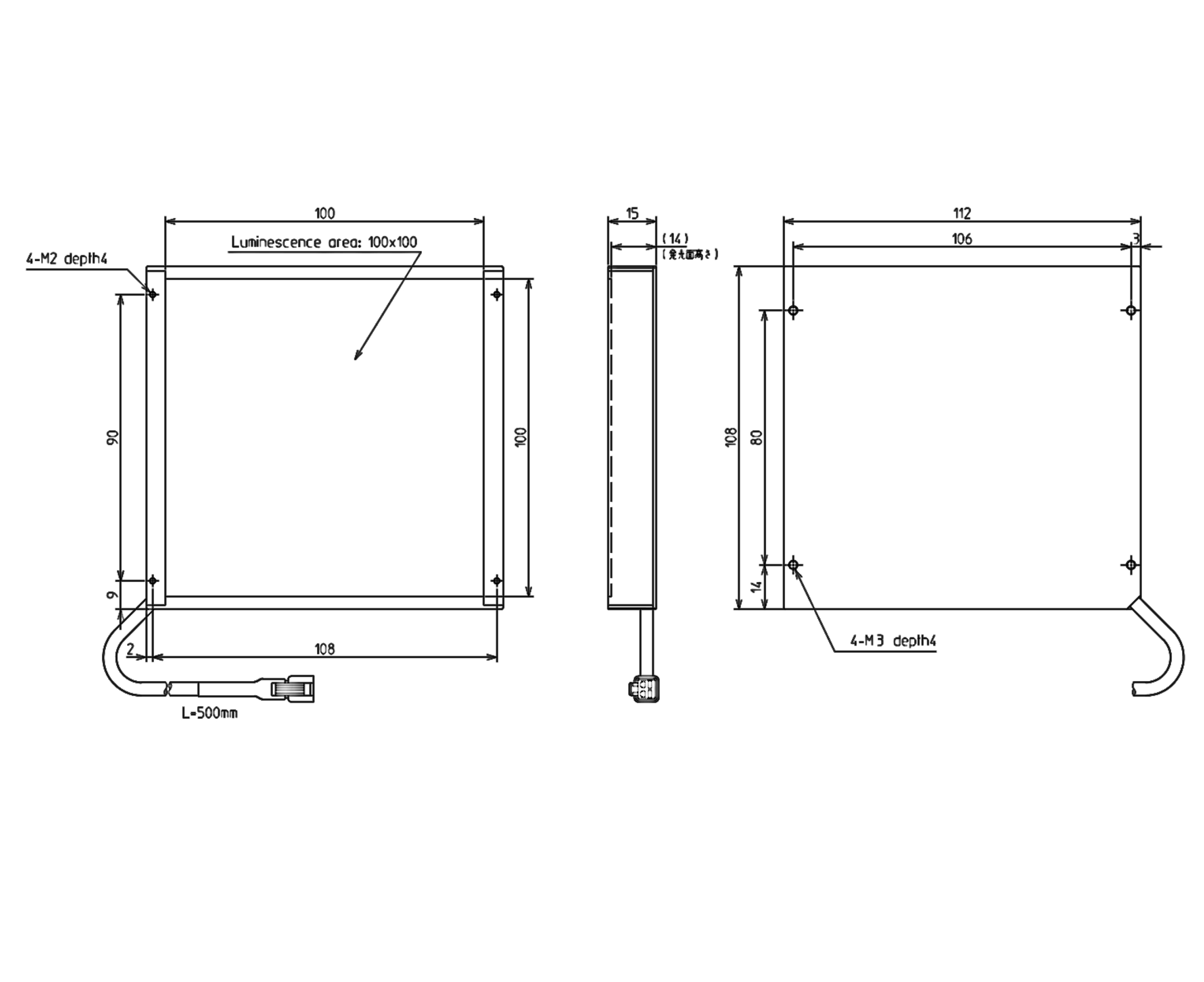
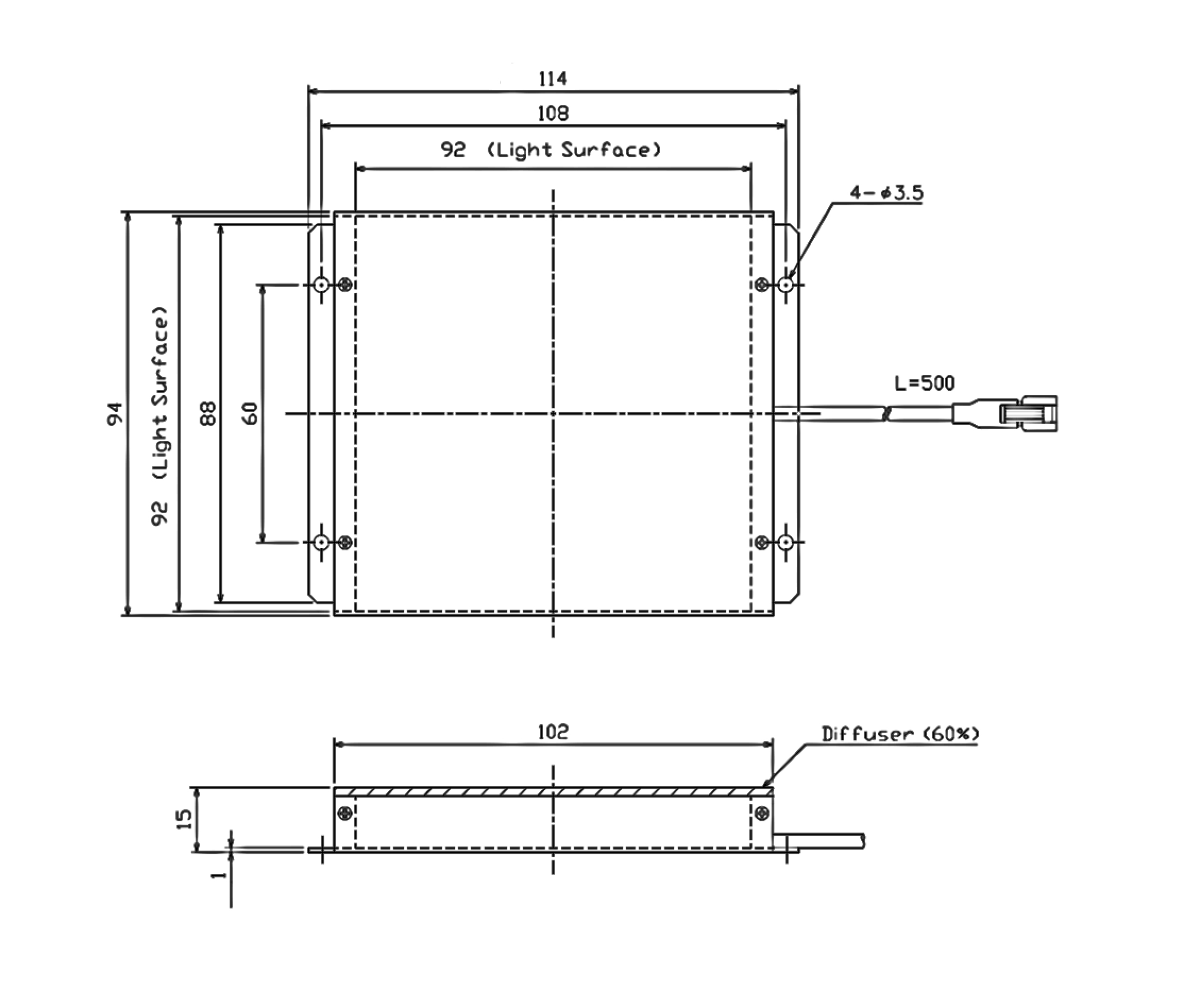
型式: OPSM-92X92
| 販売終了機種 | 推奨代替品 |
|---|---|
OPSM-92X92□![]() |
OPF-S100x100□-DF![]() |
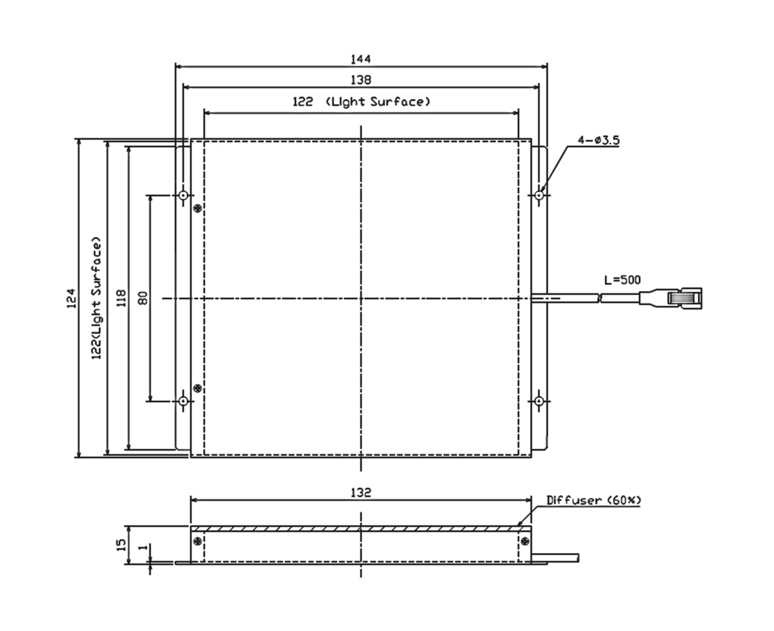
型式: OPSM-122X122
| 販売終了機種 | 推奨代替品 |
|---|---|
OPSM-122X122□![]() |
OPF-125x125□-DF![]() |
型式: OPSM-32X32IR850
| 販売終了機種 | 推奨代替品 |
|---|---|
OPSM-32X32IR850![]() |
OPSM-H25X30IR850![]() |
型式: OPSM-62X62IR850
| 販売終了機種 | 推奨代替品 |
|---|---|
OPSM-62X62IR850![]() |
OPSM-H66X60IR850![]() |
型式: OPSM-92X92IR850
| 販売終了機種 | 推奨代替品 |
|---|---|
OPSM-92X92IR850![]() |
OPSM-H108X114IR850![]() |
以上