製品を探す
サイト内検索
他社型式・Quickコード検索
製品を探す
Quickコードカタログの
4ケタコード

絞り込み検索

カテゴリで絞り込む

光電センサ
変位センサ
IIoT
LED照明
画像センサ
非接触温度計・サーモグラフィ
その他製品

透明体検出タイプ
KR-Qシリーズ

業界一の精度を誇る
透明体検出型センサ

  • 不安解消 直近でも安定検出
  • 見える赤色スポット光
  • すき間から狙える狭視界設計

入出力回路図

NPN出力タイプ
PNP出力タイプ

コネクタ式
circuit_03
  • 接続について
  • ■ 使用しないリード線は切断し、個別に絶縁テープを巻くなどして、他の端子と接触しないようにしてください。
  • ■ ①から④は、コネクタのピンNo.に相当します。
  • 注意事項
  • ■ 電源にスイッチングレギュレーターをご使用の場合は必ずフレームグランド端子を接地してください。
  • ■ センサの配線と高圧線・動力線との同一配管を行われるとノイズにより誤動作、破損の原因となる場合がありますので、別配線としてください。
  • ■電源投入時(約100ms)の過渡状態でのご使用は避けてください。
  • ■L字型コネクタケーブルをご使用の場合、ケーブルの向きは下図のとおりの向きで固定となります。回転はできませんのでご注意下さい。

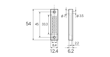
外形寸法図

単位:mm


本体
コード式
コネクタ式
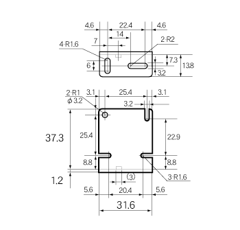
取付金具装着図
コード式
コネクタ式
取付金具(付属)
BEF-W170
保護金具
LK-S01
LK-S02

コネクタケーブル(オプション)
M84CN-2S、M84CN-5S、M84CN-10S
M84CN-□S
M84CN-2L、M84CN-5L、M84CN-10L
M84CN-□L

反射ミラー
V-61:標準型反射ミラー(付属)
V-42:小型反射ミラー(オプション)

P45A:超小型反射ミラー(オプション)

閲覧履歴

ログインするとご使用いただけます。

こちらのシリーズもおすすめです