製品を探す
サイト内検索
他社型式・Quickコード検索
製品を探す
Quickコードカタログの
4ケタコード

絞り込み検索

カテゴリで絞り込む

光電センサ
変位センサ
IIoT
LED照明
画像センサ
非接触温度計・サーモグラフィ
その他製品

ティーチング式透明体センサ
JR-Qシリーズ

<生産終了機種>  >>代替機種

自動感度補正の
透明体検出型光電センサ

  • ボタン一つで最適感度に自動設定
  • メンテナンスフリー
  • 樹脂充填

入出力回路図

NPN出力タイプ
PNP出力タイプ

コネクタ式
  • 接続について
  • ■ティーチ入力をご使用にならない時はリード線を切断し個別に絶縁テープを巻くなどして、
  • ■ ①から④は、コネクタのピンNo.に相当します。
  • 注意事項
  • ■ 電源にスイッチングレギュレーターをご使用の場合は必ずフレームグランド端子を接地してく ださい。
  • ■ センサの配線と高圧線・動力線との同一配管を行われるとノイズにより誤動作、破損の原因 となる場合がありますので、別配線としてください。
  • ■電源投入時(約100ms)の過渡状態でのご使用は避けてください。
  • ■L字型コネクタケーブルをご使用の場合、ケーブルの向きは下図のとおりの向きで固定となり ます。回転はできませんのでご注意下さい。

外形寸法図

単位:mm


本体 ヘッドオン(ヨコ型)
コード式

コネクタ式

本体 サイドオン(ヨコ型)
コード式

コネクタ式

取付金具装着図 コード式
ヘッドオン(ヨコ型)
サイドオン(タテ型)
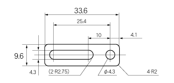
取付金具(付属)
BEF-W160
ナットプレート(BEF-W160に付属)
コネクタケーブル(オプション)
JCN-S、JCN-5S、JCN-10S
JCN-L、JCN-5L、JCN-10L

反射ミラー
V-61:標準型反射ミラー(回帰反射型に付属)
V-42:小型反射ミラー(オプション)

P45A:超小型反射ミラー(オプション)
V-60K:防曇反射ミラー(オプション)

閲覧履歴

ログインするとご使用いただけます。

こちらのシリーズもおすすめです