カテゴリで絞り込む
単位:mm
外形寸法図コード式
コネクタ式
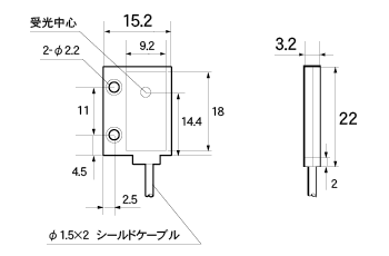
RT-1500
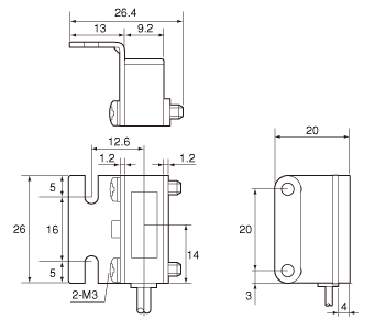
RT-F300(投光器)〈生産終了機種〉
RT-F300(受光器)〈生産終了機種〉
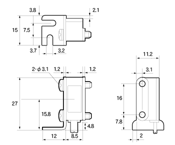
RD-F50〈生産終了機種〉

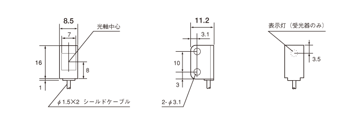
RS-20R/RS-16G〈生産終了機種〉/
RM-16R/RM-16G〈生産終了機種〉
RD-150
RT-1500
RD-150
RS-20R/RS-16G〈生産終了機種〉/
RM-16R/RM-16G〈生産終了機種〉
スリットBL-130S-SK
JCN-S、JCN-5S、JCN-10S
JCN-L、JCN-5L、JCN-10L
ログインするとご使用いただけます。