カテゴリで絞り込む

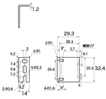
外形寸法図
単位:mm

| 検出方式 | A 投光中心 | B 受光中心 |
|---|---|---|
| 透過型 | 19.6 | 19.6 |
| 拡散反射型 | 12.2 | 19.1 |
| 回帰反射型 | 19.6 |

| 検出方式 | A 投光中心 | B 受光中心 |
|---|---|---|
| 透過型 | 19.6 | 19.6 |
| 拡散反射型 | 12.2 | 19.1 |
| 回帰反射型 | 19.6 |





| 検出方式 | A 投光中心 |
|---|---|
| 透過型 | 26.6 |
| 拡散反射型 回帰反射型 |
19.2 |
ログインするとご使用いただけます。