製品を探す
サイト内検索
他社型式・Quickコード検索
製品を探す
Quickコードカタログの
4ケタコード

絞り込み検索

カテゴリで絞り込む

光電センサ
変位センサ
IIoT
LED照明
画像センサ
非接触温度計・サーモグラフィ
その他製品

センシングリング照明
OPRシリーズ

明るさを自動管理する照明へ。

  • 外径サイズφ32mm~φ85mmまでラインアップ
  • 「FALUX sensing」搭載により、輝度のモニタリングとフィードバック制御が可能
  • アタッチメントレンズ採用により、照射角度を3モードに切り替え可能
  • 光量アップと照度分布の均一性を両立

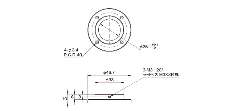
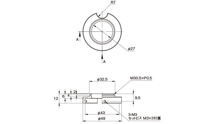
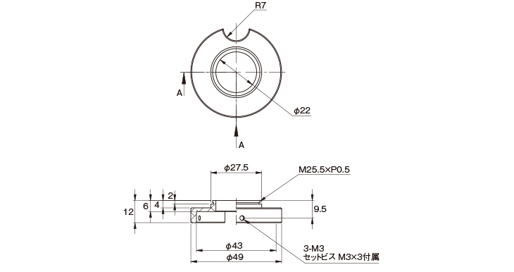
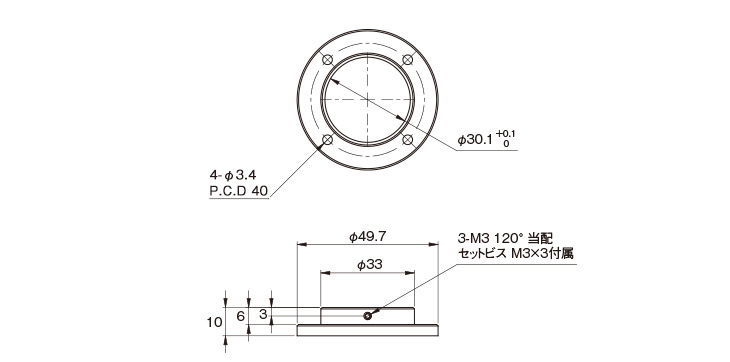
外形寸法図

単位:mm

本体
OPR-32-10_
OPR-32-10_

OPR-S43-16_
OPR-S43-16_
OPR-S55-28_
OPR-S55-28_
OPR-S70-43_
OPR-S70-43_
OPR-S85-58_
OPR-S85-58_
レンズブラケット
BKT-OPR-43-M255
BKT-OPR-43-M255
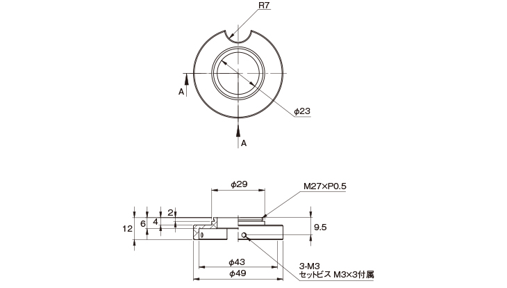
BKT-OPR-43-M270
BKT-OPR-43-M270
BKT-OPR-43-M305
BKT-OPR-43-M305
BKT-OPR-43-TL16
BKT-OPR-43-TL16
BKT-OPR-55-M255
BKT-OPR-55-M255
BKT-OPR-55-M270
BKT-OPR-55-M270
BKT-OPR-55-M305
BKT-OPR-55-M305
BKT-OPR-55-TL16
BKT-OPR-55-TL16
BKT-OPR-55-TL25
BKT-OPR-55-TL25
BKT-OPR-55-TL30
BKT-OPR-55-TL30

閲覧履歴

ログインするとご使用いただけます。

こちらのシリーズもおすすめです