製品を探す
サイト内検索
他社型式・Quickコード検索
製品を探す
Quickコードカタログの
4ケタコード

絞り込み検索

カテゴリで絞り込む

光電センサ
変位センサ
IIoT
LED照明
画像センサ
非接触温度計・サーモグラフィ
その他製品

高輝度センシングバー照明 防塵防水
OPB-X-IPシリーズ

過酷な環境での用途に。
防塵防水(IP67) のバー照明

  • 30mm幅サイズをラインアップ
  • 最大10倍の明るさアップを実現
  • 新技術「FALUX sensing +」による
    照明の個体識別およびモニタリング・フィードバック

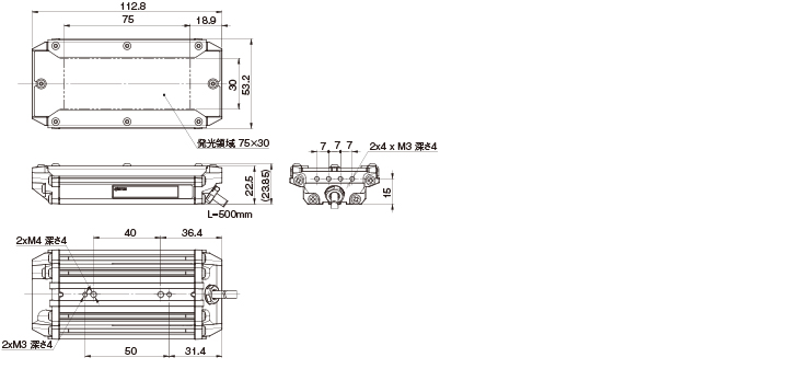
外形寸法図

単位:mm


30mm幅
OPB-X7530□-IP
OPB-X7530□-IP
OPB-X15030□-IP
OPB-X15030□-IP
OPB-X22530□-IP
OPB-X22530□-IP
OPB-X30030□-IP
OPB-X30030□-IP

閲覧履歴

ログインするとご使用いただけます。

こちらのシリーズもおすすめです