製品を探す
サイト内検索
他社型式・Quickコード検索
製品を探す
Quickコードカタログの
4ケタコード

絞り込み検索

カテゴリで絞り込む

光電センサ
変位センサ
IIoT
LED照明
画像センサ
非接触温度計・サーモグラフィ
その他製品

透明体センサ
SR-Qシリーズ

設置場所を選ばない
小型透明体検出センサ

  • 高速ラインにも適応する、0.5ms
  • 耐ノイズはCE規格適合で、小型化を実現
  • 耐衝撃性100G

入出力回路図

NPN出力タイプ
PNP出力タイプ

コネクタ式
  • 接続について
  • ■ 使用しないリード線は切断し、個別に絶縁テープを巻くなどして、他の端子と接触しないようにしてください。
  • ■ ①から④は、コネクタのピンNo.に相当します。
  • 注意事項
  • ■ 電源にスイッチングレギュレーターをご使用の場合は必ずフレームグランド端子を接地してください。
  • ■ センサの配線と高圧線・動力線との同一配管を行われるとノイズにより誤動作、破損の原因となる場合がありますので、別配線としてください。
  • ■電源投入時(約100ms)の過渡状態でのご使用は避けてください。
  • ■L字型コネクタケーブルをご使用の場合、ケーブルの向きは下図のとおりの向きで固定となります。回転はできませんのでご注意下さい。

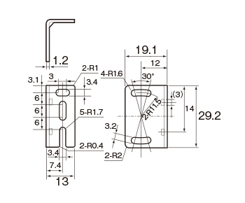
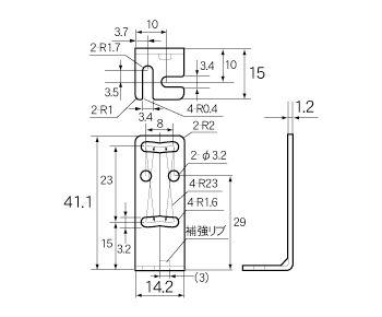
外形寸法図

単位:mm


本体
コード式
コネクタ式
取付金具装着図
コード式(BEF-W150-B使用時)
コネクタ式(BEF-W150-A使用時)
取付金具(付属)
BEF-W150-B(コード式に付属)
BEF-W150-A(コネクタ式に付属)
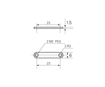
ナットプレート(付属)

保護金具
LS-S01
t=2
LS-S02
t=2
コネクタケーブル(オプション)
M84CN-2S、M84CN-5S、M84CN-10S
M84CN-□S
M84CN-2L、M84CN-5L、M84CN-10L
M84CN-□L

反射ミラー
V-61:標準型反射ミラー(付属)
V-42:小型反射ミラー(オプション)

P45A:超小型反射ミラー(オプション)

閲覧履歴

ログインするとご使用いただけます。