製品を探す
サイト内検索
他社型式・Quickコード検索
製品を探す
Quickコードカタログの
4ケタコード

絞り込み検索

カテゴリで絞り込む

光電センサ
変位センサ
IIoT
LED照明
画像センサ
非接触温度計・サーモグラフィ
その他製品

アンプ内蔵センサ 小スポット反射タイプ
J2Dシリーズ

<生産終了機種>>>代替機種

LED光源でレーザのような小スポット

  • φ2mmの小スポット(距離100mmにて)
  • ティーチング式で簡単調整
  • 水・油に強いIP67g

出力回路図

NPN出力タイプ
PNP出力タイプ

コネクタ式
接続について
  • ■ ティーチ入力をご使用にならない時はリード線を切断し個別に絶縁テープを巻くなどして、 他の端子と接続しないようにしてください。
  • ■ ①から④は、コネクタのピンNo.に相当します。
  • 注意事項
  • ■ 電源にスイッチングレギュレーターをご使用の場合は必ずフレームグランド端子を接地してください。
  • ■センサの配線と高圧線・動力線との同一配管を行われるとノイズにより誤動作、破損の原因となる場合がありますので、別配線としてください。
  • ■ センサの配線と高圧線・動力線との同一配管を行われるとノイズにより誤動作、破損の 原因となる場合がありますので、別配線としてください。
  • ■ 電源投入時(約100ms)の過渡状態でのご使用は避けてください。
  • ■ L字型コネクタケーブルをご使用の場合、ケーブルの向きは下図のとおりの向きで固定となります。回転はできませんのでご注意下さい。

外形寸法図

単位:mm


本体(ヘッドオン)
  • コード式
  • コネクタ式

本 体(サイドオン)
  • コード式
  • コネクタ式

取付金具装着図(ヘッドオン)
  • コード式
  • コネクタ式

取付金具装着図(サイドオン)
  • コード式
  • コネクタ式

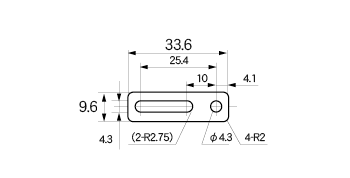
取付金具(付属)
BEF-W160

ナットプレート
BEF-W160に付属
t=1,2mm

コネクタケーブル(オプション)
JCN-S、JCN-5S、JCN-10S
JCN-L、JCN-5L、JCN-10L

閲覧履歴

ログインするとご使用いただけます。

こちらのシリーズもおすすめです