製品を探す
サイト内検索
他社型式・Quickコード検索
製品を探す
Quickコードカタログの
4ケタコード

絞り込み検索

カテゴリで絞り込む

光電センサ
変位センサ
IIoT
LED照明
画像センサ
非接触温度計・サーモグラフィ
その他製品

スポット照明
OPS/OPHSシリーズ

高輝度小型同軸/スポット照明

  • OPHSは放熱性に優れたアルミ筐体・フィン構造を採用
    高輝度発光により高倍率・高速検査に対応
  • 低価格なOPS2/3もラインアップ
  • ハイパワーの斜光専用タイプOPHS-SPもラインアップ

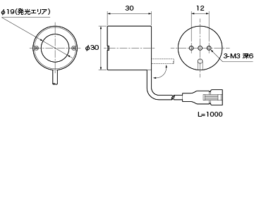
外形寸法図

単位:mm


OPS2-14_
OPS2-14_
OPS3-14_
OPS3-14_

OPHS5-C21_
OPHS5-C21_
OPHS-SP30_
OPHS-SP30_

閲覧履歴

ログインするとご使用いただけます。

こちらのシリーズもおすすめです