製品を探す
サイト内検索
他社型式・Quickコード検索
製品を探す
Quickコードカタログの
4ケタコード

絞り込み検索

カテゴリで絞り込む

光電センサ
変位センサ
IIoT
LED照明
画像センサ
非接触温度計・サーモグラフィ
その他製品

絞り込み検索

カテゴリで絞り込む

光電センサ
変位センサ
IIoT
LED照明
画像センサ
非接触温度計・サーモグラフィ
その他製品

LED照明コントローラ
OPPD-15シリーズ

超コンパクトサイズのコントローラ

  • 従来品と比べて体積1/12を実現
  • 視認性の良いデジタル表示
  • 外部点灯制御とPWMを完全同期

入出力回路図

入出力回路図

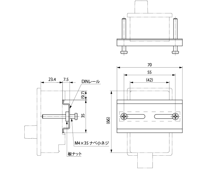
外形寸法図

単位:mm


OPPD-15


オプション(別売)

単位:mm

パネル取付金具 BKT-OPPD

パネル取付寸法

単位:mm

(パネル取付穴加工 : 68X45mm) 取付可能板厚:1~6mm

閲覧履歴

ログインするとご使用いただけます。

こちらのシリーズもおすすめです

S