製品を探す
サイト内検索
他社型式・Quickコード検索
製品を探す
Quickコードカタログの
4ケタコード

絞り込み検索

カテゴリで絞り込む

光電センサ
変位センサ
IIoT
LED照明
画像センサ
非接触温度計・サーモグラフィ
その他製品

照明モニタリングセンサ アナログ出力タイプ
MDF-Aシリーズ

アナログ出力タイプの
照明モニタリングセンサ


  • 画像検査用照明の明るさを数値で管理!
  • 照明のメンテナンスタイミングが一目瞭然
  • アナログ出力:電圧1~5V、電流4~20mA

入出力回路図

  • 接続について
  • ■ ケーブルの配線をするときは必ず電源を切った状態で行ってください。通電中に着脱すると故障や感電の原因になります。
  • ■ 外部入力をご使用にならない時はリード線を切断し個別に絶縁テープを巻くなどして、他の端子と接続しないようにしてください。
  • 注意事項
  • ■ 電源にスイッチングレギュレーターをご使用の場合は必ずフレームグランド 端子を接地してください。
  • ■ センサの配線と高圧線・動力線との同一配管を行われるとノイズにより誤動作、破損の原因となる場合がありますので、別配線としてください。
  • ■ 電源投入時(約100ms)の過渡状態でのご使用は避けてください。


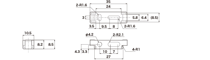
外形寸法図

単位:mm


アンプユニット
MDF-TA / MDF-HTA

取付金具
BEF-EB01-W190

ファイバユニット
M4ネジ NF-MT77
ø3円柱 NF-MT05

オプション
サイドビューレンズ NF-MTA02
  受光角度:±10°

閲覧履歴

ログインするとご使用いただけます。