製品を探す
サイト内検索
他社型式・Quickコード検索
製品を探す
Quickコードカタログの
4ケタコード

絞り込み検索

カテゴリで絞り込む

光電センサ
変位センサ
IIoT
LED照明
画像センサ
非接触温度計・サーモグラフィ
その他製品
2016年10月27日
オプテックス・エフエー株式会社
LED営業部

スポット照明「OPHS シリーズ」
仕様変更のご案内


拝啓 貴社ますますご清栄のこととお慶び申し上げます。 平素は弊社製品に対し格別のご高配を賜り厚く御礼申し上げます。

標記の件、ご愛顧頂いております LEDスポット照明「OPHS シリーズ」について、 一部仕様の変更を致しましたので、ご案内申し上げます。

引き続き弊社製品をご愛顧の程宜しくお願い申し上げます。

敬具


─ 記 ─


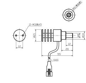
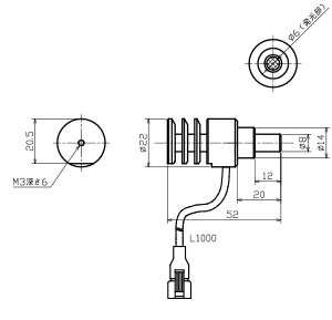
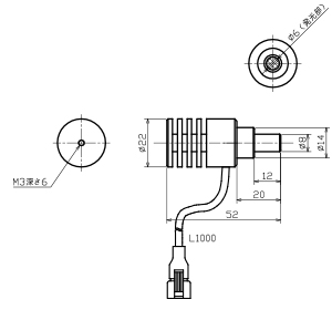
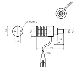
1.対象機種

  OPHS4-C22□
  OPHS4-C24IR850、OPHS4-C24IR940
  OPHS4-C22UV365
  OPHS5-C21□
  ※□=W:白、B:青、R:赤


2.変更内容
  フィン形状の変更(全長、先端径、光学仕様等の変更なし)
  ※下記の図面参照


3.変更理由
  放熱性の向上、ケーブルの逃げスペース確保


4.変更スケジュール
  2016 年 11 月 21 日受注分より


型式 従来製品 新製品
OPHS4-C22
OPHS4-C24IR
OPHS4-C22UV365
OPHS5-C21

以上