カテゴリで絞り込む
拝啓 貴社ますますご清栄のこととお慶び申し上げます。
平素は弊社製品に対し格別のご高配を賜り厚く御礼申し上げます。
標記の件、長年に亘り御愛顧頂きました「耐屈曲角型ファイバユニット」について、生産を終了させていただきます。
何卒事情をご理解頂き、引き続き弊社製品をご愛顧の程宜しくお願い申し上げます。
敬具
─ 記 ─
1.生産終了の理由
基幹部品の供給終了に伴い、弊社での生産・供給が困難となったため
2.生産終了品
耐屈曲角型ファイバユニット
※ファイバ長違いも含む
① NF-TE05
② NF-TR05
③ NF-TR06
3.生産終了スケジュール
最終出荷台数受付:2025年8月末日
※予備品などのご注文は、上記日程までにご注文いただきますよう、お願い申し上げます。
4.代替提案品
代替推奨品:なし
※弊社担当までお問い合わせください。
代替提案品との仕様 比較表
| 型式 | 生産終了品 | 代替提案品 | |
|---|---|---|---|
| NF-TE05 | なし | ||
| 種類 | 耐屈曲角型ファイバユニット | - | |
| 検出方式 | 透過型 | - | |
| 使用周囲温度 | -40~+60℃ | - | |
| 最小曲げ半径 | R4mm | - | |
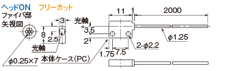
| ファイバ長 | 2m フリーカット | - | |
| 寸法図 | ![]() |
- | |
| 組合せアンプ D4RF 検出距離 |
16μs | 360 mm | - |
| 70μs | 1,080 mm | - | |
| 250μs | 1,675 mm | - | |
| 500μs | 2,050 mm | - | |
| 1ms | 2,310 mm | - | |
| 2ms | 3,205 mm | - | |
| 8ms | 3,600 mm | - | |
| 標準価格(税別) | 9,900 円 | - | |
※ファイバ長違いも含む
代替提案品との仕様 比較表
| 型式 | 生産終了品 | 代替提案品 | |
|---|---|---|---|
| NF-TR05 | なし | ||
| 種類 | 耐屈曲角型ファイバユニット | - | |
| 検出方式 | 透過型 | - | |
| 使用周囲温度 | -40~+60℃ | - | |
| 最小曲げ半径 | R4mm | - | |
| ファイバ長 | 2m フリーカット | - | |
| 寸法図 | ![]() |
- | |
| 組合せアンプ D4RF 検出距離 |
16μs | 1,245 mm | - |
| 70μs | 3,600 mm | - | |
| 250μs | 3,600 mm | - | |
| 500μs | 3,600 mm | - | |
| 1ms | 3,600 mm | - | |
| 2ms | 3,600 mm | - | |
| 8ms | 3,600 mm | - | |
| 標準価格(税別) | 9,900 円 | - | |
※ファイバ長違いも含む
代替提案品との仕様 比較表
| 型式 | 生産終了品 | 代替提案品 | |
|---|---|---|---|
| NF-TR06 | なし | ||
| 種類 | 耐屈曲角型ファイバユニット | - | |
| 検出方式 | 透過型 | - | |
| 使用周囲温度 | -40~+60℃ | - | |
| 最小曲げ半径 | R4mm | - | |
| ファイバ長 | 2m フリーカット | - | |
| 寸法図 | ![]() |
- | |
| 組合せアンプ D4RF 検出距離 |
16μs | 1,245 mm | - |
| 70μs | 3,600 mm | - | |
| 250μs | 3,600 mm | - | |
| 500μs | 3,600 mm | - | |
| 1ms | 3,600 mm | - | |
| 2ms | 3,600 mm | - | |
| 8ms | 3,600 mm | - | |
| 標準価格(税別) | 9,900 円 | - | |
※ファイバ長違いも含む
以上