カテゴリで絞り込む
拝啓 貴社ますますご清栄のこととお慶び申し上げます。
平素は弊社製品に対し格別のご高配を賜り厚く御礼申し上げます。
表記の件、ご愛顧頂いております偏光フィルタ 「OPSV-PL***-RSシリーズ」について、製品の製造ならびに販売を終了させていただきます。
後継機種として、「OPSV-PLAシリーズ」を販売開始いたします。
敬具
─ 記 ─
1.対象機種一覧
| 販売終了機種 | 代替機種 | |||
| 型式 | 標準価格(税別) | 型式 | 標準価格(税別) | |
|---|---|---|---|---|
| OPSV-PL225-RS | OPEN | → | OPSV-PLA225 | OPEN |
| OPSV-PL255-RS | 7,700円 | OPSV-PLA255 | 11,000円 | |
| OPSV-PL270-RS | 7,700円 | OPSV-PLA270 | 11,000円 | |
| OPSV-PL305-RS | 7,700円 | OPSV-PLA305 | 11,000円 | |
| OPSV-PL340-RS | OPEN | OPSV-PLA340 | OPEN | |
| OPSV-PL355-RS | OPSV-PLA355 | |||
| OPSV-PL375-RS | OPSV-PLA375 | |||
| OPSV-PL405-RS | OPSV-PLA405 | |||
| OPSV-PL430-RS | OPSV-PLA430 | |||
| OPSV-PL550-RS | OPSV-PLA550 | |||
| OPSV-PL620-RS | OPSV-PLA620 | |||
| ※OPEN価格品はカタログ・HP非掲載の準標準品です。 | ||||
2.製造終了の理由
仕様を新たに、より安定的に供給できる新製品を発売開始いたします。
3.販売終了スケジュール
現在庫が無くなり次第、販売終了いたします。
詳細情報につきましては、当社へお問合せください。
4.仕様の比較
下記をご参照ください。
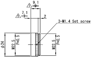
| 販売終了機種 OPSV-PL225-RS (代表) |
代替機種 OPSV-PLA225 (代表) |
|
|---|---|---|
| 外観図 |
![]() |
![]() |
| 付属品 | なし | セットビス(M3-2) ×2個 ロックビス(つまみ付き) ×1個 |
| サイズ(*) | 外径φ [mm] | 全長 [mm] | 本体長さ [mm] | 外ネジ長 [mm] | セットビス | |||||
|---|---|---|---|---|---|---|---|---|---|---|
| 旧 | 新 | 旧 | 新 | 旧 | 新 | 旧 | 新 | 旧 | 新 | |
| M22.5 | 24.0 | 27.5 | 9.1 | 12.0 | 7.1 | 10.0 | 2.0 | 2.0 | M1.4x 1.3 |
M3x2 |
| M25.5 | 27.1 | 30.5 | 9.6 | 7.6 | ||||||
| M27.0 | 29.0 | 32.0 | ||||||||
| M30.5 | 32.0 | 35.5 | 9.5 | 7.5 | ||||||
| M34.0 | 36.0 | 39.0 | ||||||||
| M35.5 | 37.0 | 40.5 | 9.6 | 7.6 | ||||||
| M37.5 | 39.0 | 42.5 | ||||||||
| M40.5 | 42.0 | 45.5 | 10.1 | 8.1 | ||||||
| M43.0 | 45.0 | 48.0 | ||||||||
| M55.0 | 57.0 | 60.0 | ||||||||
| M62.0 | 65.0 | 67.0 | 11.0 | 8.5 | 2.5 | |||||
| (*)M22.5 ⇒ 型式: 旧)OPSV-PL225-RS 新)OPSV-PLA225 | ||||||||||

以上