カテゴリで絞り込む
拝啓 貴社ますますご清栄のこととお慶び申し上げます。
平素は弊社製品に対し格別のご高配を賜り厚く御礼申し上げます。
表記の件、ご愛顧頂いておりますエッジ式バックライト照明 「OPEMシリーズ」について、製品の製造ならびに販売を終了させていただきます。
OPEMシリーズの代替機種は、現在販売中の「OPEM-Hシリーズ」および、販売開始いたしました新製品「OPEM-HAシリーズ」でございます。
敬具
─ 記 ─
1.対象機種
エッジ式バックライト照明 OPEMシリーズ
| 販売終了機種 | 代替機種 | |
| 型式 | 型式 | |
|---|---|---|
| OPEM-25X25□ | → | OPEM-H25X25□ |
| OPEM-41X30□ | → | OPEM-H41X30□ |
| OPEM-50X50□ | → | OPEM-HA50X50□ |
| OPEM-100X80□ | → | OPEM-HA100X100□ |
| OPEM-100X100□ | ||
| OPEM-180X135□ | → | OPEM-HA200X150□ |
| OPEM-200X150□ | ||
| 各サイズ緑色 | → | 代替機種無し |
| OPEM-50X50IR-850 | ||
| OPEM-100X80IR-850 | ||
| □ = W(白)、R(赤)、B(青) |
2.製造終了と新シリーズ発売開始の理由
製造コストの増大や部材供給難により安定的な製造ができないため、
現行製品の販売を終了し、
仕様を新たに、より安定的に供給できる
新製品を発売開始いたします。
3.販売終了に伴う変更内容
代替機種は、現在販売中のOPEM-Hシリーズおよび
新製品のOPEM-HAシリーズです。
仕様の違いは下記を参照ください。
4.販売終了スケジュール
最終受付日:2023年5月31日(水)
5.仕様・明るさ・外形寸法図の比較
【新旧比較】 仕様
| 販売終了品 | 現行品 | 販売終了品 | 現行品 | |
|---|---|---|---|---|
| 型式 | OPEM-25X25 | OPEM-H25X25 | OPEM-41X30 | OPEM-H41X30 |
| 色温度/波長 | 白:7,000K 赤:660nm 青:470nm |
白:7,000K 赤:635nm 青:460nm |
白:7,000K 赤:660nm 青:470nm |
白:7,000K 赤:635nm 青:460nm |
| 消費電力 | 白/青:0.4W 赤:0.3W |
白:0.9W 赤:0.6W 青:0.5W |
白/青:0.9W 赤:0.5W |
白:1.7W 赤:1.2W 青:0.9W |
| 筐体厚み | 7mm | 6mm | 7mm | 6mm |
| 標準価格 (税別) |
白/青:30,800円 赤:22,000円 |
30,800円 | 白/青:37,400円 赤:28,600円 |
38,500円 |
| 販売終了品 | 新製品 | 販売終了品 | 新製品 | |
|---|---|---|---|---|
| 型式 | OPEM-50X50 | OPEM-HA50X50 | OPEM-100X80 | OPEM-HA100X100 |
| 色温度/波長 | 白:7,000K 赤:660nm 青:470nm |
白:4,600K 赤:630nm 青:460nm |
白:7,000K 赤:660nm 青:470nm |
白:4,600K 赤:630nm 青:460nm |
| 消費電力 | 白/青:2.9W 赤:2.0W |
白/青:4.4W 赤:3.8W |
白/青:5.1W 赤:3.4W |
白/青:15.0W 赤:12.0W |
| 筐体厚み | 8.5mm | 7.2mm | 8mm | 7.2mm |
| 標準価格 (税別) |
白/青:57,200円 赤:46,200円 |
64,000 円 | 白/青:105,600円 赤:83,600円 |
130,000円 |
| 販売終了品 | 新製品 | 販売終了品 | 新製品 | |
|---|---|---|---|---|
| 型式 | OPEM-100X100 | OPEM-HA100X100 | OPEM-180X135 | OPEM-HA200X150 |
| 白:7,000K 赤:660nm 青:470nm |
白:4,600K 赤:630nm 青:460nm |
白:7,000K 赤:660nm 青:470nm |
白:4,600K 赤:630nm 青:460nm |
|
| 消費電力 | 白/青:5.8W 赤:3.9W |
白/青:15.0W 赤:12.0W |
白/青:8.7W 赤:5.8W |
白/青:30.0W 赤:27.0W |
| 筐体厚み | 8mm | 7.2mm | 8mm | 8.2mm |
| 標準価格 (税別) |
白/青:116,600円 赤:85,800円 |
130,000円 | 白/青:215,600円 赤:143,000円 |
297,000円 |
| 販売終了品 | 新製品 | |
|---|---|---|
| 型式 | OPEM-200X150 | OPEM-HA200X150 |
| 色温度/波長 | 白:7,000K 赤:660nm 青:470nm |
白:4,600K 赤:630nm 青:460nm |
| 消費電力 | 白/青:10.1W 赤:6.8W |
白/青:30.0W 赤:27.0W |
| 筐体厚み | 8mm | 8.2mm |
| 標準価格 (税別) |
白/青:242,000円 赤:187,000円 |
297,000円 |
【代替機種なし】IR シリーズ
| 販売終了品 | ||
|---|---|---|
| 型式 | OPEM-50X50IR -850 |
OPEM-100X80IR -850 |
| 色温度/波長 | 850nm | 850nm |
| 消費電力 | 2.0W | 3.4W |
| 筐体厚み | 8mm | 8mm |
| 標準価格 (税別) |
57,200円 | 105,600円 |
【新旧比較】明るさ □50mm サイズの比較

【新旧比較】均一性
・明るさヒートマップ ※100mm サイズ白色での比較
・均一度グラフ ※明るさヒートマップをプロットしています
【新旧比較】 外形寸法図
型式: OPEM-25X25
| 販売終了機種 | 代替機種 |
OPEM-25X25□
![]() |
OPEM-H25X25□
![]() |
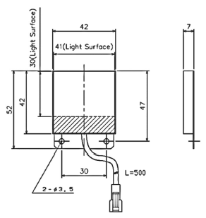
型式: OPEM-41X30
| 販売終了機種 | 代替機種 |
OPEM-41X30□
![]() |
OPEM-H41X30□
![]() |
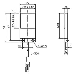
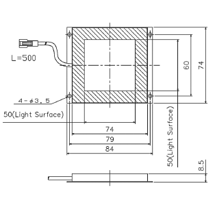
型式: OPEM-50X50
| 販売終了機種 | 代替機種 |
OPEM-50X50□
![]() |
OPEM-HA50X50□
![]() |
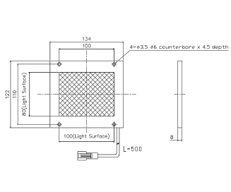
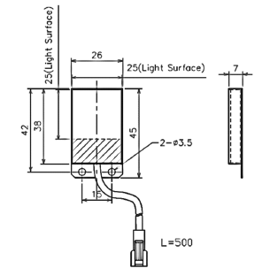
型式: OPEM-100X80
| 販売終了機種 | 代替機種 |
OPEM-100X80□
![]() |
OPEM-HA100X100□
![]() |
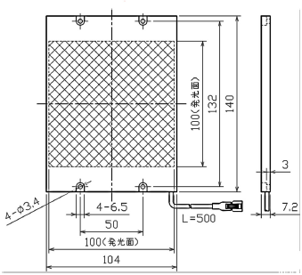
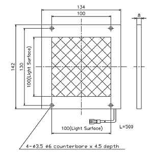
型式: OPEM-100X100
| 販売終了機種 | 代替機種 |
OPEM-100X100□
![]() |
OPEM-HA100X100□
![]() |
型式: OPEM-180X135
| 販売終了機種 | 代替機種 |
OPEM-180X135□
![]() |
OPEM-HA200X150□
![]() |
型式: OPEM-200X150
| 販売終了機種 | 代替機種 |
OPEM-200X150□
![]() |
OPEM-HA200X150□
![]() |
以上