カテゴリで絞り込む
拝啓 貴社ますますご清栄のこととお慶び申し上げます。
平素は弊社製品に対し格別のご高配を賜り厚く御礼申し上げます。
表記の件、ご愛顧頂いております拡散ドーム照明「OPIDシリーズ」について、製品の製造ならびに販売を終了させていただきます。
尚、代替機種については下記の通りになります。
何卒ご理解いただき、引き続き弊社製品をご愛顧のほど宜しくお願い申し上げます。
敬具
─ 記 ─
1.対象機種
拡散ドーム照明OPIDシリーズ
| 販売終了機種 | 代替機種 | |
| 型式 | 型式 | |
|---|---|---|
| OPID-84□ | → | OPD-S75□ |
| OPID-122□ | → | OPD-S100□ |
| OPID-152□ | → | OPD-M150□ |
| OPID-C84□ | → | OPD-S75□ OPX-S27□ BKT-OPX27-OPD75 |
| OPID-C122□ | → | OPD-S100□ OPX-S35□2 BKT-OPX35-OPD100 |
| OPID-C152□ | → | OPD-M150□ OPX-S50□2 BKT-OPX50-OPD150 |
| 全サイズ緑色 | → | 代替機種なし |
| □ = W(白)、R(赤)、B(青) |
2.製造終了の理由
製造コストの増大に伴って現状価格の維持が難しく、類似シリーズの
一本化による製造最適化を図るため、現行製品の製造を終了致します。
3.販売終了に伴う変更内容
後継機種はなく、現在販売中のOPDシリーズが代替機種となります。
仕様の違いは本資料の巻末を参照ください。
同軸照明付きOPID-Cの代替は、ドーム照明OPDシリーズと同軸照明
OPXシリーズおよび、専用ブラケットを組み合わせてご利用ください。
4.販売終了スケジュール
最終受付日:2022年12月26日(月)
5.仕様・明るさ・外形寸法図の比較
【新旧比較】 仕様
| 白色/青色 | ||||||
|---|---|---|---|---|---|---|
| 型式 | OPID-84 | OPD-S75 | OPID-122 | OPD-S100 | OPID-152 | OPD-M150 |
| 色温度/波長 | 白:7,000K 青:470nm |
白:6500K 青:470nm |
白:7,000K 青:470nm |
白:6,500K 青:470nm |
白:7,000K 青:470nm |
白:6,500K 青:470nm |
| 消費電力 | 4.4W | 14.0W | 7.2W | 21.0W | 13.0W | 26.0W |
| 標準価格 (税別) |
99,000円 | 86,000円 | 129,000円 | 98,000円 | 184,500円 | 128,000円 |
| 白色/青色 | ||||||
|---|---|---|---|---|---|---|
| 型式 | OPID-C84 | OPD-S75 OPX-S27 |
OPD-S100 OPX-S35 |
OPID-C152 | OPD-M150 OPX-S50 |
|
| 色温度/波長 | 白:7,000K 青:470nm |
白(OPD): 6,500K 白(OPX): 7,000K 青(共通): 470nm |
白:7,000K 青:470nm |
白(OPD): 6,500K 白(OPX): 6,000K 青(共通): 470nm |
白:7,000K 青:470nm |
白(OPD): 6,500K 白(OPX): 6,000K 青(共通): 470nm |
| 消費電力 | 4.4+1.7W | 14.0+4.5W | 7.2+3.6W | 21.0+9.0W | 13.0+4.9W | 26.0+13.0W |
| 標準価格 (税別) |
150,000円 | 178,800円※ | 210,000円 | 193,800円※ | 295,000円 | 251,800円※ |
※OPDシリーズ、OPXシリーズ、ブラケットの標準価格(税別)を合算した金額です。
| 赤色 | ||||||
|---|---|---|---|---|---|---|
| 型式 | OPID-84 | OPD-S75 | OPID-122 | OPD-S100 | OPID-152 | OPD-M150 |
| 波長 | 660nm | 635nm | 660nm | 635nm | 660nm | 635nm |
| 消費電力 | 3.9W | 14.0W | 6.3W | 16.0W | 10.8W | 25.0W |
| 標準価格 (税別) |
74,000円 | 86,000円 | 94,500円 | 98,000円 | 114,500円 | 128,000円 |
| 赤色 | ||||||
|---|---|---|---|---|---|---|
| 型式 | OPID-C84 | OPD-S75 OPX-S27 |
OPD-S100 OPX-S35 |
OPID-C152 | OPD-M150 OPX-S50 |
|
| 波長 | 660nm | OPD:635nm OPX:630nm |
660nm | OPD:635nm OPX:630nm |
660nm | OPD:635nm OPX:630nm |
| 消費電力 | 3.9+1.2W | 14.0+4.5W | 6.3+2.7W | 21.0+9.0W | 10.8+4.8W | 26.0+13.0W |
| 標準価格 (税別) |
120,000円 | 178,800円※ | 160,000円 | 193,800円※ | 200,000円 | 251,800円※ |
※OPDシリーズ、OPXシリーズ、ブラケットの標準価格(税別)を合算した金額です。
【新旧比較】明るさ(測定距離:10mm)

【新旧比較】 外形寸法図
※同軸照明付きOPID-Cの代替は、ドーム照明OPDシリーズと同軸照明OPXシリーズおよび、専用ブラケットの組み合わせとなります。外形寸法図はWEBサイトをご確認ください。
型式: OPID-84
| 販売終了機種 | 代替機種 |
OPID-84
![]() |
OPD-S75□
![]() |
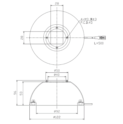
型式: OPID-122
| 販売終了機種 | 代替機種 |
OPID-122
![]() |
OPD-S100□
![]() |
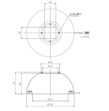
型式: OPID-152
| 販売終了機種 | 代替機種 |
OPID-152
![]() |
OPD-M150□
![]() |
以上