カテゴリで絞り込む
拝啓 貴社ますますご清栄のこととお慶び申し上げます。
平素は弊社製品に対し格別のご高配を賜り厚く御礼申し上げます。
表記の件、ご愛顧頂いておりますパワーリング照明 「OPHRシリーズ」について、製品の製造ならびに販売を終了させていただきます。
尚、代替機種については下記の通りになります。
何卒ご理解いただき、引き続き弊社製品をご愛顧のほど宜しくお願い申し上げます。
敬具
─ 記 ─
1.対象機種
パワーリング照明OPHRシリーズ
| 販売終了機種 | 代替機種 | |
| 型式 | 型式 | |
|---|---|---|
| OPHR-110□ | → | OPM-S100□ |
| OPHR-140□ | → | OPM-M150□ |
| OPHR-210□ | → | OPM-M200□ |
| □ = W(白)、R(赤)、B(青) |
2.製造終了の理由
製造コストの増大に伴って現状価格の維持が難しく、類似シリーズの
一本化による製造最適化を図るため、現行製品の製造を終了致します。
3.販売終了に伴う変更内容
後継機種はなく、現在販売中のOPMシリーズが代替機種となります。
OPHRシリーズとは拡散板形状が異なるため、置き換えをご検討の際は
実機での事前評価を推奨致します。
尚、仕様の違いについては本資料の巻末を参照ください。
4.販売終了スケジュール
最終受付日:2022年12月26日(月)
5.仕様・明るさ・外形寸法図の比較
【新旧比較】 仕様
| 仕様表 | ||||||
|---|---|---|---|---|---|---|
| 型式 | OPHR-110 | OPM-S100 | OPHR-140 | OPM-M150 | OPHR-210 | OPM-M200 |
| 色温度/波長 | 白:4,900K 赤:635nm 青:465nm |
白:6,500K 赤:635nm 青:470nm |
白:4,900K 赤:635nm 青:465nm |
白:6,500K 赤:635nm 青:470nm |
白:4,900K 赤:635nm 青:465nm |
白:6,500K 赤:635nm 青:470nm |
| 消費電力 | 13.0W | 白/青:21.0W 赤:16.0W |
17.0W | 白/青:26.0W 赤:25.0W |
26.0W | 30.0W |
| 標準価格 (税別) |
72,000円 | 98,000円 | 99,000円 | 128,000円 | 201,000円 | 218,000円 |
【新旧比較】明るさ(測定距離:200mm)

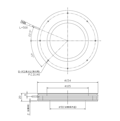
【新旧比較】 外形寸法図
型式: OPHR-110
| 販売終了機種 | 代替機種 |
OPHR-110
![]() |
OPM-S100
![]() |
型式: OPHR-140
| 販売終了機種 | 代替機種 |
OPHR-140
![]() |
OPM-M150
![]() |
型式: OPHR-210
| 販売終了機種 | 代替機種 |
OPHR-210
![]() |
OPM-M200
![]() |
以上