カテゴリで絞り込む
拝啓 貴社ますますご清栄のこととお慶び申し上げます。
平素は弊社製品に対し格別のご高配を賜り厚く御礼申し上げます。
製品の製造ならびに販売を終了させていただきます。
販売することをお知らせ致します。
何卒ご理解いただき、引き続き弊社製品をご哀願のほど宜しくお願い申し上げます。
敬具
─ 記 ─
1.対象機種
| 販売終了 | 後継機種 | |||
| 型式 | ピーク波長 | 型式 | ピーク波長 | |
|---|---|---|---|---|
| OPHS4-C24IR850 | 850nm | → | OPHS5-C21IR850 | 850nm |
| OPHS4-C24IR950 | 950nm | → | OPHS5-C21IR940 | 940nm |
2.販売終了の理由
LED素子生産終了のため、製品の製造を終了致します。
3.販売終了スケジュール
最終受付日: 2019年3月28日(木)
4.後継機種のご案内
既に販売しておりますスポット照明「OPHS5-C21□シリーズ」をベースに、
赤外LED素子を搭載した、スポット照明「OPHS5-C21□シリーズ(IR)」を
後継機種として、発売致します。
5.発売スケジュール
発売日: 2018年11月26日(月)
■仕様
| 850nm | 950nm / 940nm | |||
| 型式 | OPHS4-C24IR850 | OPHS5-C21IR850 | OPHS4-C24IR950 | OPHS5-C21IR940 |
| ピーク波長* | 850nm | 850nm | 950nm | 940nm |
| LED数 | 1 | 1 | ||
| 入力 | 定電流700mA Max | 定電流700mA Max | ||
| 質量 | 60g | 45g | 60g | 45g |
| 標準価格(税別) | 56,000円 | 56,000円 | 56,000円 | 56,000円 |
*OPHS5-C21□シリーズ(IR)の波長ラインナップは850nm/940nmです。
950nmタイプはございません。
■放射量比較 (OPHS4-C24□基準、測定径限定φ2~φ16mm)


※測定条件は、以下の通りです
・レンズ:2倍テレセントリックレンズに照明を装着
・WD:65mm
・測定器:弊社基準放射照度計
・測定径:φ2, φ6, φ10, φ16mm
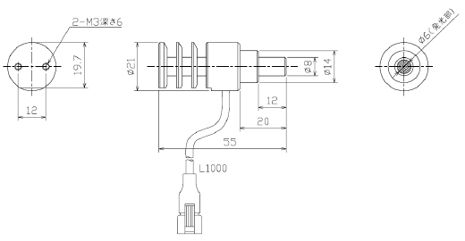
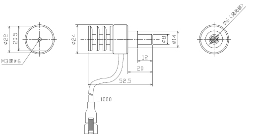
■外形図
OPHS4-C24IR_(販売終了機種)
OPHS5-C21IR_
以上