カテゴリで絞り込む
接続について
■ ①から⑤は、端子台No.に相当します。
注意事項
■ 電源にスイッチングレギュレーターをご使用の場合は必ずフレームグランド端子を接地し
てください。
センサの配線と高圧線・動力線との同一配管を行われるとノイズにより誤動作、破損の
原因となる場合がありますので、別配線としてください。
電源投入時(約100ms)の過渡状態でのご使用は避けてください。
注意:
制御出力はトランジスタ電圧出力型のため、2台以上接続する場合には注意が必要です。
ご使用される場合は、当社までお問い合わせください。
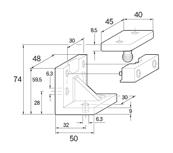
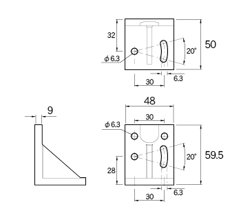
外形寸法図
単位:mm

ログインするとご使用いただけます。